Page 2 of 2
Re: Krauser panniers 1991
Posted: Sat Nov 22, 2025 7:31 pm
by SteveD
Mscutts wrote: ↑Wed Nov 19, 2025 7:36 am
Hi
I have an R80 with original panniers but no key

...
Does anyone have any advice?
Mike
Brighton UK
https://advrider.com/f/threads/key-exch ... h.1680667/
Re: Krauser panniers 1991
Posted: Sat Nov 29, 2025 5:35 am
by Mscutts
Rob
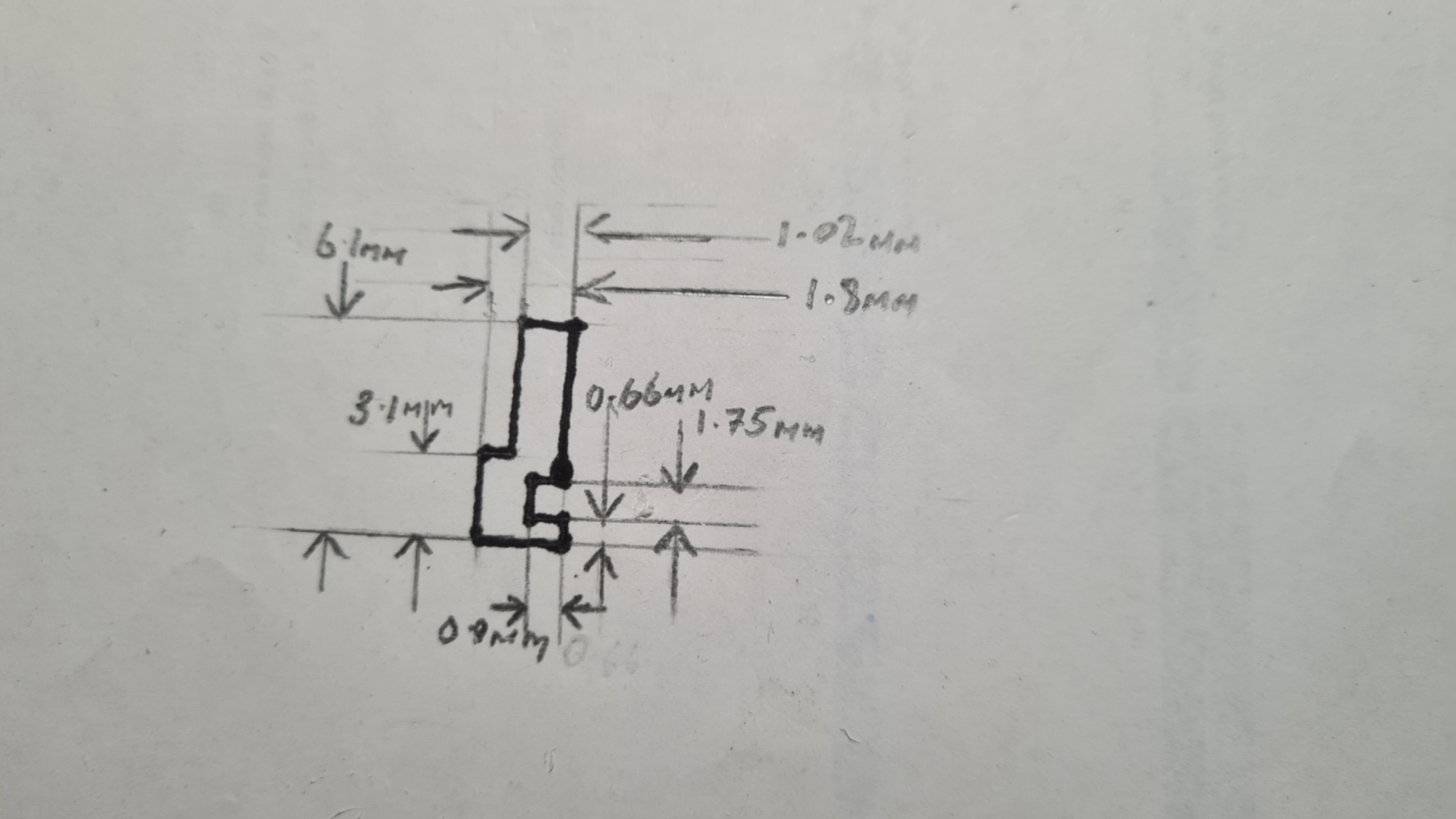
Can you send me a photo of your 057 key beside a ruler for dimensions as per your post below. I will try and fashion one myself.
Thanks
Mike
"As it happens, one of my sets uses 057 keys but I only have one so I'm not able to supply it. If I can help with pictures or measurements, let me know..."
Re: Krauser panniers 1991
Posted: Mon Dec 01, 2025 9:10 am
by Rob Frankham
Apologies, taken me a couple of days to pick this up... I will try to get some reasonable images, bear with me...
Rob
Re: Krauser panniers 1991
Posted: Wed Dec 03, 2025 7:40 am
by Rob Frankham
No 057 Key
Duplicating these images here for convenience...

- Key 057 Profile (photo).jpg (187.64 KiB) Viewed 10195 times

- Key 057 Bottom.jpg (161.04 KiB) Viewed 10195 times
Rob
Re: Krauser panniers 1991
Posted: Wed Dec 03, 2025 7:40 am
by Rob Frankham
More 057 Key

- Key 057 Top.jpg (201.47 KiB) Viewed 10195 times

- Key 057 Profile.jpg (246.81 KiB) Viewed 10195 times