BMW Relay Conundrum

Discuss all things 1970 & later Airheads right here.
User avatar
SteveD
Posts: 5067
Joined: Tue Aug 03, 2010 3:29 am
Location: Melbourne, Oz.

Re: BMW Relay Conundrum

Post by SteveD »

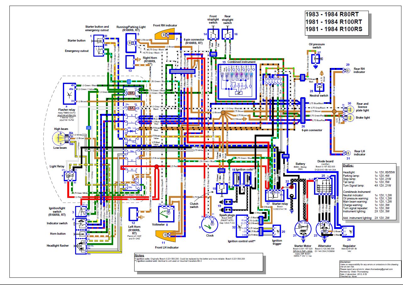
markbaldwin wrote: Mon Jul 04, 2022 5:56 pm Hi, did you ever find wiring diagrams that work with this BMW? It sounds like my bmwr100rs and it is not wired as the Haynes or Clymer diagrams so after a couple of years off the road I am now struggling to get the electrics to work. Cheers Mark
Wiring Diagram.JPG
Wiring Diagram.JPG (296.26 KiB) Viewed 726 times
Cheers, Steve
Victoria, S.E.Oz.


1982 R100RSR100RS supergallery. https://boxerboy81.smugmug.com/R100RS
2006 K1200R.
1994 R1100GS.
markbaldwin
Posts: 4
Joined: Sun Dec 09, 2012 4:52 pm

Re: BMW Relay Conundrum

Post by markbaldwin »

Hi, some of the electrics work but not everything so I am searching for the 'holy grail' which is a wiring diagram that is correct for my bike. These old bikes will have been repaired or modified many times over the years so I would like to know what it 'should' be like. Cheers Mark
User avatar
SteveD
Posts: 5067
Joined: Tue Aug 03, 2010 3:29 am
Location: Melbourne, Oz.

Re: BMW Relay Conundrum

Post by SteveD »

markbaldwin wrote: Tue Jul 05, 2022 7:41 am Hi, some of the electrics work but not everything so I am searching for the 'holy grail' which is a wiring diagram that is correct for my bike. These old bikes will have been repaired or modified many times over the years so I would like to know what it 'should' be like. Cheers Mark
There is a difference between headlights on verses headlights switchable iirc...US v Euro, otherwise it's a good diagram ime.

This is an old thread where someone was trying to sort some idiosyncracies on their bike. Might help, might not? The list on page 2...

https://www.bmbikes.org.uk/viewtopic.ph ... ng+diagram
Cheers, Steve
Victoria, S.E.Oz.


1982 R100RSR100RS supergallery. https://boxerboy81.smugmug.com/R100RS
2006 K1200R.
1994 R1100GS.
markbaldwin
Posts: 4
Joined: Sun Dec 09, 2012 4:52 pm

Re: BMW Relay Conundrum

Post by markbaldwin »

Thanks for all the info, I will have another look at my bike in the next few days. Great to see the coloured wiring diagram! Cheers Mark
Rob Frankham
Posts: 1377
Joined: Thu Aug 26, 2010 2:11 pm
Location: Scotland UK, 20 miles from civilisation up a dead end road!
Contact:

Re: BMW Relay Conundrum

Post by Rob Frankham »

FWIW, the terminal designations on the starter relay are incorrect.

The gentleman who frew the diagram has perpertuated the error that was first seen in BMWs own diagram and copied by Haynes.

The righ hand terminal (on the diagram) with the red wire should be designated 87, the same as that on the far left of the diagram. The two terminals are (and must be) connected hard wired together. On the diagram the right one is designated 87a. There is a relay with a 87a terminal and it will fit the relay socket but if you fit one, nothing will work... and I do mean nothing.

If you want to check this for yourself, take the headlight relay from the same bike and plug it into the starter relay socket. It won't do any damage but it won't work either.

For the tech minded, a relay with two 87 terminals is a class a (NO or normally open) relay. It has two outputs hard wired together. A relay with one 87 and one 87a terminal is a class c (CO or change over) relay. To complete the set, a relay with a 87 and a 87b terminal is a class a (NO) relay with two independant outputs. This also won't work as a starter relay...

These are the common variations on 5 terminal relays but there are many others...
ImageImageImage
Post Reply