Krauser panniers 1991

Discuss all things 1970 & later Airheads right here.
User avatar
SteveD
Posts: 5067
Joined: Tue Aug 03, 2010 3:29 am
Location: Melbourne, Oz.

Re: Krauser panniers 1991

Post by SteveD »

Mscutts wrote: Wed Nov 19, 2025 7:36 am Hi

I have an R80 with original panniers but no key 😔
...
Does anyone have any advice?

Mike
Brighton UK
https://advrider.com/f/threads/key-exch ... h.1680667/
Cheers, Steve
Victoria, S.E.Oz.


1982 R100RSR100RS supergallery. https://boxerboy81.smugmug.com/R100RS
2006 K1200R.
1994 R1100GS.
Mscutts
Posts: 10
Joined: Sun Mar 23, 2025 3:25 pm

Re: Krauser panniers 1991

Post by Mscutts »

Rob
Can you send me a photo of your 057 key beside a ruler for dimensions as per your post below. I will try and fashion one myself.

Thanks
Mike

"As it happens, one of my sets uses 057 keys but I only have one so I'm not able to supply it. If I can help with pictures or measurements, let me know..."
Rob Frankham
Posts: 1376
Joined: Thu Aug 26, 2010 2:11 pm
Location: Scotland UK, 20 miles from civilisation up a dead end road!
Contact:

Re: Krauser panniers 1991

Post by Rob Frankham »

Apologies, taken me a couple of days to pick this up... I will try to get some reasonable images, bear with me...

Rob
ImageImageImage
Rob Frankham
Posts: 1376
Joined: Thu Aug 26, 2010 2:11 pm
Location: Scotland UK, 20 miles from civilisation up a dead end road!
Contact:

Re: Krauser panniers 1991

Post by Rob Frankham »

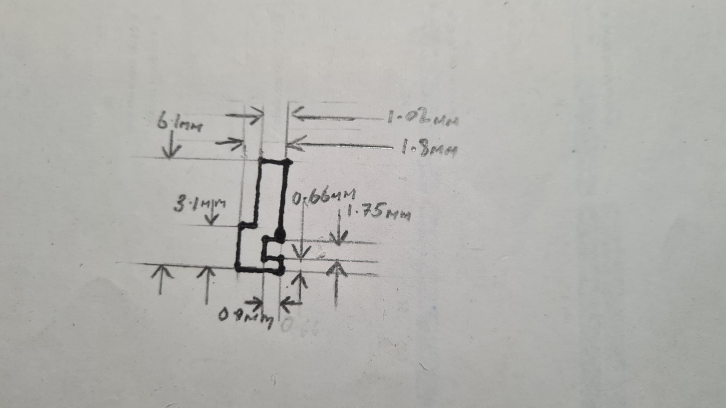
No 057 Key
Duplicating these images here for convenience...
Key 057 Profile (photo).jpg
Key 057 Profile (photo).jpg (187.64 KiB) Viewed 2778 times
Key 057 Bottom.jpg
Key 057 Bottom.jpg (161.04 KiB) Viewed 2778 times
Rob
ImageImageImage
Rob Frankham
Posts: 1376
Joined: Thu Aug 26, 2010 2:11 pm
Location: Scotland UK, 20 miles from civilisation up a dead end road!
Contact:

Re: Krauser panniers 1991

Post by Rob Frankham »

More 057 Key
Key 057 Top.jpg
Key 057 Top.jpg (201.47 KiB) Viewed 2778 times
Key 057 Profile.jpg
Key 057 Profile.jpg (246.81 KiB) Viewed 2778 times
ImageImageImage
Post Reply