Hey Guys
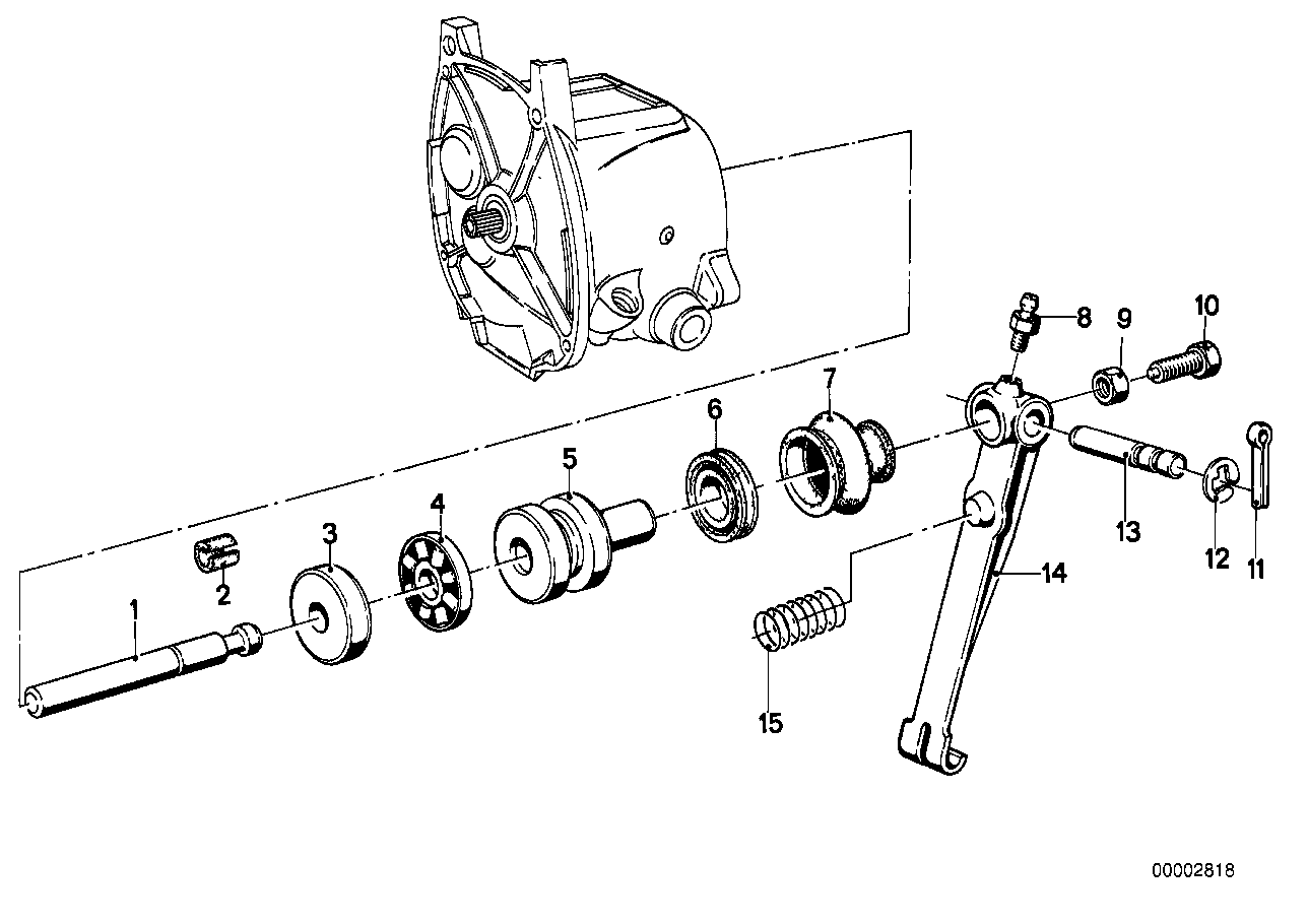
My clutch operating mechanism really needs an overhaul. But how do I get the thrust washer out, no 3 in attached file?
R80/7 clutch operating mechanism
R80/7 clutch operating mechanism
- Attachments
-
- diag_26a.png (16.95 KiB) Viewed 1682 times
Re: R80/7 clutch operating mechanism
If you can't get it out with a small hook type tool, circlip type opening pliers, or strong magnet, you'll have to remove (or at least partially back out) the transmission and push it out with the rod (#1). The clutch end of that rod may be stuck in the clutch center disc and need a little finesse to remove. Replace felt seal (#2) while you have it apart.
Mechanic from Hell
"I remember every raging second of it...
My bike was on fire, the road was on fire, and I was on fire.
It was the best ride ever!"
"I remember every raging second of it...
My bike was on fire, the road was on fire, and I was on fire.
It was the best ride ever!"
-
Rob Frankham
- Posts: 1376
- Joined: Thu Aug 26, 2010 2:11 pm
- Location: Scotland UK, 20 miles from civilisation up a dead end road!
- Contact:
Re: R80/7 clutch operating mechanism
Use a pair of long nosed pliers and grip the end of the pushrod pulling it back and exposing the thrust race. You can't actually remove the pushrod without moving the engine because will foul the frame. It might take a bit of pull because of the felt but it won't be stuck in the disc (or if it is you have a real problem), because on the earlier clutch the tapered end of the rod simply butts up againsta tapered recess in the centre of the disc.
If you have clutch problems, you might be advised to pull the gearbox and examine the engine end of the mechanism. It isn't unheard of for the pushrod and clutch disc to wear badly at the point of contact to the extent that the disc wears through completely.
Rob
If you have clutch problems, you might be advised to pull the gearbox and examine the engine end of the mechanism. It isn't unheard of for the pushrod and clutch disc to wear badly at the point of contact to the extent that the disc wears through completely.
Rob
Re: R80/7 clutch operating mechanism
Won't the pushrod come out if the swinging arm pins are removed the swinging arm pulled back a few inches ?
barry
Cheshire
England
Cheshire
England
-
Kurt in S.A.
- Posts: 1721
- Joined: Tue Aug 03, 2010 12:08 pm
Re: R80/7 clutch operating mechanism
I think it takes more than a few inches to extract the rod from the rear. If you pull the rod out too far from the rear, the only...or certainly easier...way of getting it back in is to reinsert from the front. Years ago I tried to put the rod back in with the trans out but could never find an easy way to secure the felt enough to get it back in. Much easier when I came around from the front.
Kurt in S.A.
Kurt in S.A.
Re: R80/7 clutch operating mechanism
Managed to get the washer #3 out with a small strong magnet
Thanks guys
Thanks guys
Re: R80/7 clutch operating mechanism
A split section of plastic drinking straw with electrical tape around it will hold the felt snugly against the rod and allow it to slide in easily from either end.Kurt in S.A. wrote: ↑Wed Dec 22, 2021 11:53 am Years ago I tried to put the rod back in with the trans out but could never find an easy way to secure the felt enough to get it back in.
Kurt in S.A.
Mechanic from Hell
"I remember every raging second of it...
My bike was on fire, the road was on fire, and I was on fire.
It was the best ride ever!"
"I remember every raging second of it...
My bike was on fire, the road was on fire, and I was on fire.
It was the best ride ever!"
-
Rob Frankham
- Posts: 1376
- Joined: Thu Aug 26, 2010 2:11 pm
- Location: Scotland UK, 20 miles from civilisation up a dead end road!
- Contact:
Re: R80/7 clutch operating mechanism
The easy way to get the felt back in with the transmission out is to put the whole pushrod complete with felt in from the front of the box where the slight chamfer in the end of the input shaftmakes it relatively easy to feed it in. If you need to put it in from the rear of the box, it's much more difficult. My solution to that one was to get a piece of fairly thin sheet steel and wrap it around the rod to form a tight tube with a flare at one end. With the rod out of the box, put the oiled felt into place easing the tube over the felt with the flared end towards the rear. Push the rod in to the input shaft, easing the felt out of the tube and into the tunnel in the input shaft. Much the same principle as a piston ring compressor...Kurt in S.A. wrote: ↑Wed Dec 22, 2021 11:53 am I think it takes more than a few inches to extract the rod from the rear. If you pull the rod out too far from the rear, the only...or certainly easier...way of getting it back in is to reinsert from the front. Years ago I tried to put the rod back in with the trans out but could never find an easy way to secure the felt enough to get it back in. Much easier when I came around from the front.
Kurt in S.A.
Rob
-
Kurt in S.A.
- Posts: 1721
- Joined: Tue Aug 03, 2010 12:08 pm
Re: R80/7 clutch operating mechanism
I never came up with good ideas before. All I had heard was to wrap the felt with dental floss, then pull it out once finished. I gave up.
Kurt in S.A.
Kurt in S.A.
- Airbear
- Posts: 2890
- Joined: Tue Aug 03, 2010 10:02 am
- Location: Oz, lower right hand side, in a bit, just over the lumpy part.
Re: R80/7 clutch operating mechanism
So how good is the bore in the cover? I've had a couple of covers that required the bore to be sleeved:
My local motorcycle-friendly engineering shop fixed them for OZ$50 each.
Charlie
and Brunhilde - 1974 R90/6

Graduate, Wallace and Gromit School of Engineering and Design (Pending)
and Brunhilde - 1974 R90/6
Graduate, Wallace and Gromit School of Engineering and Design (Pending)